| 型号 | 簡要區别 |
| M610 | UART接口,可同時驅動10路天線 |
>>産品描述
- 外圍電路簡單
- 可同時驅動10路天線,實現10路同時讀卡操作
- 抗幹擾強
- 寬範圍工作電壓DC3.0-5.5V,推薦使用3.3V
- 該讀卡模塊完全支持EM4001,EM4100,TK4001,TK4100及其125K兼容ID卡片的操作
- 自帶看門狗
- 讀卡距離遠,最遠可以讀取15厘米,與卡片和配套天線有關
- 默認UART接口,适用于PC機或UART的單片機
- 芯片擴展功能強,可根據用戶需求,定制IIC,SPI,韋根接口,以及主被動輸出等特定功能
- TSSOP28封裝更适合嵌入式開發
- 配以專用的IC-M610評估闆,可實現用戶應用快速開發,以達到自己産品短時間進入市場的目的
- 目前廣泛應用于門禁考勤,汽車電子感應鎖配套,辦公商場/洗浴中心儲物箱的安全控制,各種防僞系統及生産過程控制
>>芯片簡介




![]()
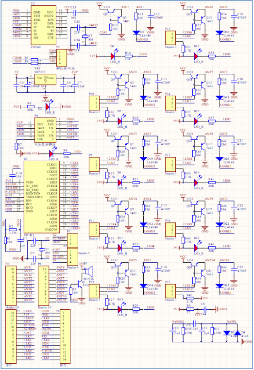
>>應用原理圖參考








>>主要技術指标
- 讀寫距離:10-150mm(與天線和卡片的尺寸有關)
- 通訊方式:UART接口
- 電源:DC3.0-5.5V
- 讀卡電流:約40mA
- 工作溫度-20℃~+70℃
- 封裝尺寸:TSSOP28
>>型号間主要區别
| 型号 | 主要區别 | 支持卡片類型 |
| M610 | UART接口,波特率38400 | EM4001,EM4100,TK4001,TK4100及其兼容卡 |
>>相關資料下載